Nippon Gear Co.
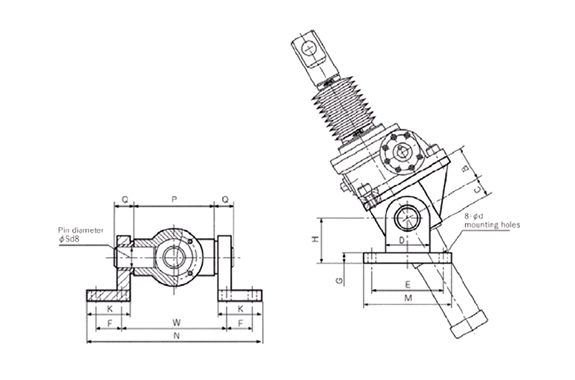
Nippon Gear Trunnion Base

Manufacturer: Nippon Gear Co., Ltd.
Specifications
| Screw Jack | RMG | RSG | J0G | J1G | J2G | J3G | JGA | J4A | J5A | J6A | JFA | J7A | |
|---|---|---|---|---|---|---|---|---|---|---|---|---|---|
| Ball Screw Jack | – | RSB | J0B | J1B | J2B | J3B | – | J4B | J5B | J6B | JFB | J7B | |
| Symbol used in the drawings (mm) | B | 20 | 14 | 50 | 60 | 70 | 80 | 90 | 100 | 120 | 140 | 140 | 160 |
| C | 12 | 14 | 22 | 20 | 40 | 55 | 65 | 75 | 90 | 120 | 120 | 140 | |
| D | 24 | 32 | 50 | 70 | 90 | 120 | 140 | 160 | 180 | 220 | 220 | 260 | |
| E | 50 | 60 | 80 | 110 | 150 | 170 | 190 | 230 | 270 | 320 | 400 | 400 | |
| F | – | – | 30 | 40 | 50 | 60 | 65 | 70 | 90 | 120 | 120 | 140 | |
| G | 6 | 8 | 12 | 12 | 18 | 24 | 26 | 28 | 36 | 50 | 50 | 55 | |
| H | 20 | 30 | 60 | 80 | 85 | 120 | 130 | 140 | 170 | 200 | 210 | 270 | |
| K | 24 | 30 | 54 | 70 | 90 | 100 | 110 | 120 | 150 | 220 | 220 | 250 | |
| M | 70 | 80 | 104 | 134 | 186 | 210 | 240 | 280 | 330 | 400 | 500 | 500 | |
| N | 126 | 160 | 254 | 250 | 340 | 400 | 435 | 460 | 600 | 960 | 860 | 1170 | |
| P | 74 | 94 | 140 | 100 | 150 | 190 | 200 | 205 | 280 | 500 | 400 | 640 | |
| Q | 13 | 17 | 20 | 22 | 40 | 45 | 50 | 50 | 80 | 100 | 115 | 150 | |
| S | 10 | 15 | 15 | 25 | 35 | 50 | 60 | 70 | 80 | 100 | 100 | 100 | |
| W | 102 | 130 | 170 | 140 | 200 | 240 | 260 | 270 | 360 | 620 | 520 | 780 | |
| d | 7 | 9 | 11 | 11 | 18 | 22 | 22 | 26 | 33 | 45 | 45 | 55 | |
| Bolt used | M6 | M8 | M10 | M10 | M16 | M20 | M20 | M24 | M30 | M42 | M42 | M52 | |











