Osaka Vacuum
Osaka TG60F Turbo Molecular Pumps

Manufacturer: Osaka Vacuum, Ltd.
Model: TG60F
Features
- Any orientation
- Compact size
- Energy-saving
- Quick start up
- Quick shut down with gas vent
- Durable structure for air inrush
- High compression ratio
- Built-in controller type
- Certificated safety standard NRTL/SEMI-S2/CE (for TG60F-20)
Specifications
| Flange | TG60F | TG60F-20 |
|---|---|---|
| Inlet | ISO-R63, CF63, (KF40)※3 | |
| Outlet | KF16 | |
| N₂ flow rate (L/s) | 60 | 60 |
| N₂ (with protective screen; L/s) | 55 | 55 |
| H₂ flow rate (L/s) | 22 | 22 |
| Max. compression ratio (N₂) | 2×10⁷ | |
| Max. compression ratio (H₂) | 3×10³ | |
| Base pressure (Pa) | <5×10⁻⁶ | <1×10⁻⁶ |
| Base pressure (Torr) | <3.8×10⁻⁸ | <7.5×10⁻⁹ |
| Max. throughput (N₂) | 10 (Free convection) | 20 (Forced air cooling) |
| Startup time (min) | 1.5–2 | |
| Max. backing pressure (Pa / Torr) | 800 (6) | |
| Recommended backing vacuum pump (L/min) | ≥25 | |
| Weight (kg) | 3.4 | 5.4 |
| Controller type | TC65 | TC66 |
| Input voltage | DC24V | AC100–230V (±10%) |
| Input power | 120W | 240VA |
※1: In case of the backing vacuum pump of 25 L/min.
※2: TC65 is a built-in controller, TC66 is rack controller.
※3: Please refer separately for the specifications of inlet flange KF40.
● Ambient temperature for use:
The ambient temperature range to assure reaching the ultimate pressure is 10 – 23 °C.
The permissible ambient temperature range is 8 – 38 °C.
● Corresponding gases:
Depending on the gas to be evacuated, some may damage the pump. Please contact us for details on corresponding gases.
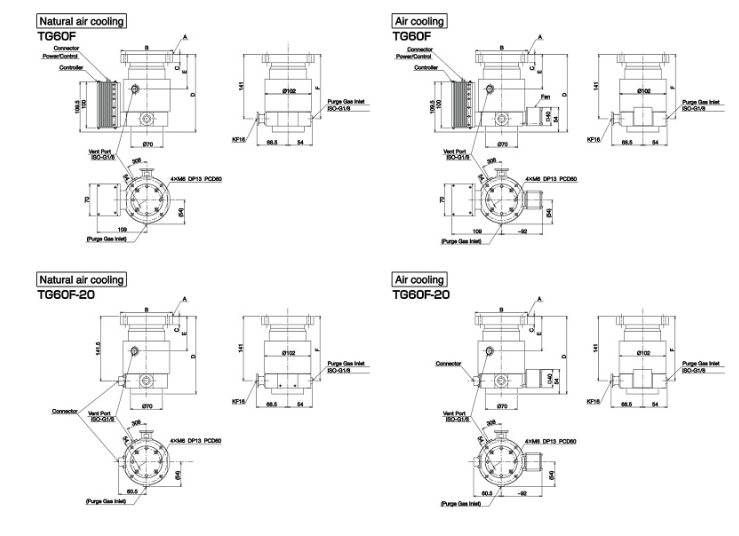
Dimensions

| A | B | C | D | E | F |
| CF63 | φ114 | 18 | 170 | 76 | 141 |
| ISO-R63 | φ95 | 12 | 144.5 | 50.5 | 115.5 |
- Bolt holes for the flange on the intake are arranged symmetrically around the centerline.
Reprinting prohibited without permission. Contents are subject to change without notice.











