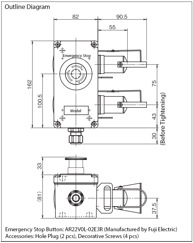
Yamato Electric
Yamato Electric GAN3-LA-2DFM-2L3

Manufacturer: Yamato Electric Co., Ltd.
Model: GAN3-LA-2DFM-2L3
SPT-22 Series (2 Circuits)
Emergency Stop Button with Side Type: The product is the L-type specification at the time of shipment. (The photo is the L-type) Changes to the R-type must be carried out by the customer.
GAN3-LA-2DFM-2L3
- Illuminated Pushbutton
- With Locking Metal Fitting

Composition
| Box | GAN-3 |
| Socket | SPT-22F (2 pcs) |
| Plug | SPT-22M (2 pcs) |
| Locking Metal Fitting | SPT-L3 (2 pcs) |
| Connector | AYS-9 to 11 |
Related Products
-

Yamato Electric MS-M Series Metal Thread Straight Connector
-

Yamato Electric FAN Series Uncoated Flexible Conduit
-

Yamato Electric KCD-05 Side Mounting Type/ Outdoor Use
-

Yamato Electric TBTH-4/ TBTH-6 Terminal Block Equipped Junction Box
-

Yamato Electric CPX-05E Ceiling Mounting Type
-

Yamato Electric PD Series Saddle for Hiflex PT





