Yamato Electric
Yamato Electric RB Series Rubber Gasket

Manufacturer: Yamato Electric Co., Ltd.
Model: RB Series.
Rubber Gasket RB

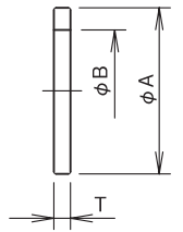
Unit: mm
| Nominal Size | Code | |||||
|---|---|---|---|---|---|---|
| Applicable Thread Nominal Size | A | B | T | |||
| Thick-Wall | Thin-Wall | |||||
| RB-16 | G 1/2 | 27 | 21 | 3 | ||
| 19 | CTC 19 | 27 | 19 | 3 | ||
| 22 | G 3/4 | 35 | 26.5 | 3 | ||
| 25 | CTC 25 | 35 | 25.5 | 3 | ||
| 28 | G 1 | 46 | 33 | 3 | ||
| 31 | CTC 31 | 46 | 32 | 3 | ||
| 36 | G 1 1/4 | 54 | 42 | 3 | ||
| 39 | CTC 39 | 54 | 38 | 3 | ||
| 42 | G 1 1/2 | 63 | 48 | 5 | ||
| 51 | CTC 51 | 63 | 51 | 5 | ||
| 54 | G 2 | 77 | 59.5 | 5 | ||
| 63 | CTC 63 | 77 | 63.5 | 5 | ||
| 70・75 | G 2 1/2 | CTC 75 | 95 | 76 | 5 | |
| 82 | G 3 | — | 110 | 88 | 5 | |
| Material | Nitrile Rubber | |||||
| Remarks | ||||||
Related Products
-

Yamato Electric TB4-DFM
-

Yamato Electric MS-Pg Series Pg Thread Straight Connector
-

Yamato Electric TCH-23A Ceiling Mounting Type/ Non-Freon Model
-

Yamato Electric NYS Series Multi-Core Cable Connector (Resin)
-

Yamato Electric Heat-resistant adhesive vinyl-coated flexible FCVF
-

Yamato Electric SPT-11/ SPT-11-UL/ SPT-11-CSA





