Yamato Electric
Yamato Electric TB4-DFM-L3

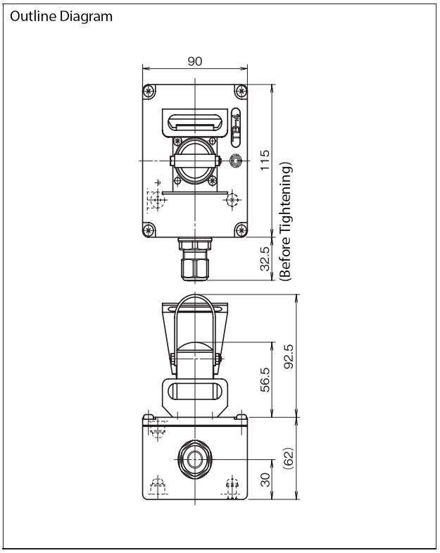
Manufacturer: Yamato Electric Co., Ltd.
Model: TB4-DFM-L3
SPT-22 Series (2 Circuits)
Front Type
TB4-DFM-L3
- With Locking Metal Fitting

Composition
| Box | TB-4 |
| Socket | SPT-22F |
| Plug | SPT-22M |
| Locking Metal Fitting | SPT-L3 |
| Connector | AYS-9 to 11 |
Related Products
-

Yamato Electric TB4-N4-SFM
-

Yamato Electric KCR-04A Side Mounting Type/ Non-Freon Model
-

Yamato Electric MSE/ MAE Series Vinyl/Blade Sheath (Double Sheath) Flexible Conduit FAE Exclusive Connector
-

Yamato Electric PT Series Hiflex (JIS C 8309 Class 2 Metal Flexible Conduit)
-

Yamato Electric LS2-DF
-

Yamato Electric TC-10E Ceiling Mounting Type





