Yamato Electric
Yamato Electric TB6-2DFM-1L3

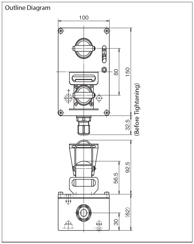
Manufacturer: Yamato Electric Co., Ltd.
Model: TB6-2DFM-1L3
SPT-22 Series (2 Circuits)
Front Type
TB6-2DFM-1L3
- With Locking Metal Fitting (Bottom Part Only)

Composition
| Box | TB-6 |
| Socket | SPT-22F (2 pcs) |
| Plug | SPT-22M (2 pcs) |
| Locking Metal Fitting | SPT-L3 |
| Connector | AYS-9 to 11 |
Related Products
-

Yamato Electric PT Series Hiflex (JIS C 8309 Class 2 Metal Flexible Conduit)
-

Yamato Electric PD Series Hiflex PT Saddle
-

Yamato Electric FSV Series Sealed-Type Vinyl Coated Semi-Interlocking Flexible Conduit
-

Yamato Electric MSU Series Non-Waterproof Canon Plug for Straight Connector
-

Yamato Electric SPX-03A Slim Model
-

Yamato Electric CPX-03E Ceiling Mounting Type





