CCS Inc.
CCS LFV3-40SW(A) Coaxial

Manufacturer: CCS Inc.
Model: LFV3-40SW(A)
Features
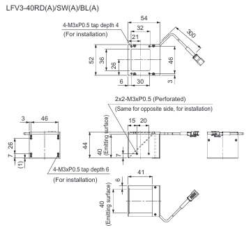
- This Light Unit emits white light and measures 52 x 54 x 44 mm (width x depth x height). The light-emitting surface measures 40 x 40 mm.
Specifications
| LED color | White |
|---|---|
| Correlated color temperature | 6,000 K typ. |
| Dimensions | W 52 mm x D 54 mm x H 44 mm |
| Input voltage | 24VDC |
| Power consumption | 4.6 W max. |
| Polarity & signal | 1: (+), 2: NC, 3: (-) |
| Cable length | 300 mm |
| Case material | Aluminum alloy, Glass, Resin |
| Input connector | SMR-03V-B |
| Conformed standards | CE, UKCA, RoHS, IEC 62471(Exempt) |
| Operating temperature and humidity | Temperature: 0 to 40°C, Humidity: 20 to 85%RH (no condensation) |
| Storage temperature and humidity | Temperature: -20 to 60°C, Humidity: 20 to 85%RH (no condensation) |
| Cooling method | Natural air cooling |
| Weight | 100 g max. |
| Accessories | User Manual |
Dimensions (mm)












