Kyowa Kogyo Co.
Kyowa Kogyo CF Type Lubrication-Free, Mass-Produced Type

Manufacturer: Kyowa Kogyo Co., Ltd.
Model: CF Type
Features
- A series that has made the F series into an infinite mass production process.
- The usage conditions that it is good at are the same as those of the F series. “Bearing type”
- Uses cold forged yoke
- Compact design
- General-purpose compact cross type with excellent rotational accuracy
- High-speed, continuous operation without lubrication
Specifications
| Items | Allowable Rotational Speed (min-1) | Allowable Working Angle (°) | Allowable Torque (N.m) | Static breakdown torque (N.m) |
|---|---|---|---|---|
| Product number | ||||
| CF-32 | 5,000 | 20 | 29 | 110 |
| CF-42 | 5,000 | 20 | 78 | 310 |
| CF-52 | 5,000 | 20 | 140 | 580 |
| CF-59 | 5,000 | 20 | 240 | 960 |
| Product Number | C(N) | ℓ(mm) |
|---|---|---|
| C*-32 | 2,700 | 22.15 |
| C*-42 | 3,200 | 29.3 |
| C*-52 | 5,600 | 35.3 |
| C*-59 | 6,400 | 41.4 |
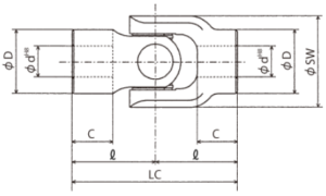
Dimensions (mm)

| Dimensions | d | D | ℓ | C | LD | A | Rotation diameter SW |
|---|---|---|---|---|---|---|---|
| Product number | |||||||
| CF-32-RRA-00 | 14 | 25 | 30 | 15 | 115 | 55 | 33 |
| CF-42-RRA-00 | 16 | 32.5 | 38 | 18 | 147 | 71 | 43 |
| CF-52-RRA-00 | 20 | 36.5 | 47 | 23 | 162 | 68 | 53 |
| CF-59-RRA-00 | 25 | 42.5 | 52 | 25 | 184 | 80 | 61 |
Related Products
-

Kyowa Kogyo KP Type Industrial Propeller Shaft Type
-

Kyowa Kogyo ND Type General-Purpose And Spinning Top Type
-

Kyowa Kogyo KD Type Industrial Propeller Shaft Type
-

Kyowa Kogyo FJ Type Non-Lubrication, General-Purpose Compact Cross Type
-

Kyowa Kogyo SC Type High-Precision Spinning Top Standard Type
-

Kyowa Kogyo SP Type High-Precision Spinning Top Standard Type





