Mizumoto Machine Mfg. Co.
Mizumoto DIR Series Diamond Eye Marukan

Manufacturer: Mizumoto Machine Mfg. Co., Ltd.
Model: DIR Series
Features
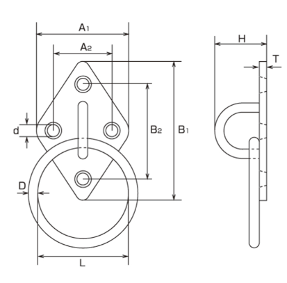
- The shape is diamond-shaped. It is a type that stops in 4 places.
- It comes with a round can, so it is easy to pass thick ropes through it.
- It is installed on walls, floors, pillars, etc., and is used as a terminal hardware for chains, wires, and ropes.
Specifications
| Model | D | L | A1 | A2 | B1 | B2 | H | d | T | Weight (kg) | Reference Load (kgf) | Reference Load (kN) |
|---|---|---|---|---|---|---|---|---|---|---|---|---|
| DIR-5 | 5 | 30 | 36 | 24 | 60 | 44 | 25 | 4.2 | 3 | 50 | 15 | 0.15 |
| DIR-6 | 6 | 40 | 40 | 27 | 65 | 51 | 29 | 4.2 | 3 | 73 | 20 | 0.20 |
| DIR-8 | 8 | 45 | 50 | 33 | 80 | 62 | 35 | 5.2 | 3 | 136 | 30 | 0.29 |
Dimensions (mm)












