Mizumoto Machine Mfg. Co.
Mizumoto HQ Series Hanger Unit SQ Type

Manufacturer: Mizumoto Machine Mfg. Co., Ltd.
Model: HQ Series
Features
- The ring part falls over, so it is less likely to get in the way when not in use.
- It is installed on walls, floors, pillars, etc., and is used as a terminal hardware for chains, wires, and ropes.
- Stainless steel plate with wooden twister.
Specifications
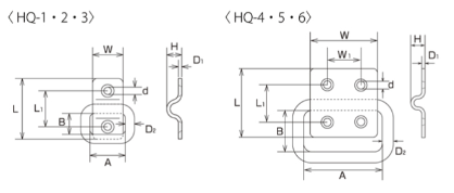
| Model | D1 (cm) | L (cm) | L1 (cm) | W (cm) | W1 (cm) | H (cm) | d (cm) | D2 (cm) | A (cm) | B (cm) | Weight (kg) | Reference Usage Test (kgf) | Reference Usage Test (kN) |
|---|---|---|---|---|---|---|---|---|---|---|---|---|---|
| HQ-1(B-857) | 1.5 | 26 | 15.5 | 13 | – | 6.5 | 3.2 | 4 | 15 | 9 | 9 | 10 | 0.10 |
| HQ-2(B-858) | 1.5 | 36 | 21 | 18 | – | 7.5 | 3.2 | 5 | 20 | 12 | 19 | 10 | 0.10 |
| HQ-3(B-859) | 1.5 | 36 | 21 | 23 | – | 7.5 | 4.2 | 5 | 26 | 15 | 24 | 10 | 0.10 |
| HQ-4(B-860) | 1.5 | 28 | 17 | 28 | 14 | 7.5 | 3.2 | 5 | 32 | 18 | 27 | 10 | 0.10 |
| HQ-5(B-861) | 1.5 | 38 | 22.5 | 38 | 19 | 8.5 | 3.5 | 5 | 39 | 21 | 39 | 10 | 0.10 |
| HQ-6(B-862) | 2 | 43 | 26 | 43 | 21.5 | 11 | 4.2 | 6 | 47 | 25 | 68 | 15 | 0.15 |
*HQ-1, HQ-2, and HQ-3 have two holes.
*Stainless steel countersunk wood screws are included.
Dimensions (mm)












