Mizumoto Machine Mfg. Co.
Mizumoto PDS Series Rotating Pad Eye

Manufacturer: Mizumoto Machine Mfg. Co., Ltd.
Model: PDS Series
Features
- It can be installed on narrow surfaces.
- Please use the screws on the countersunk head.
- It is installed on walls, floors, columns, etc., and is used as terminal fittings such as chains.
Specifications
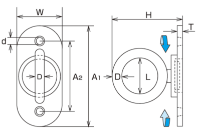
| Model | D | L | A1 | A2 | W | H | T | d | Weight (g) | Reference Load (kgf) | Reference Load (kN) |
|---|---|---|---|---|---|---|---|---|---|---|---|
| PDS-5 | 5 | 15 | 50 | 34 | 20 | 33 | 2.5 | 4.2 | 34 | 15 | 0.15 |
| PDS-6 | 6 | 18 | 55 | 42.5 | 25 | 38 | 3 | 4.8 | 51 | 20 | 0.20 |
| PDS-8 | 8 | 19 | 65 | 52.5 | 30 | 44 | 3.5 | 4.8 | 101 | 30 | 0.29 |
*It does not kink and is neat and space-saving.
Dimensions (mm)












