Mizumoto Machine Mfg. Co.
Mizumoto SI Series Rotating Eye Plate

Manufacturer: Mizumoto Machine Mfg. Co., Ltd.
Model: SI Series
Features
- The eye part rotates, so it doesn’t get tangled when connected. It is installed on walls, floors, pillars, etc., and is used as terminal hardware for chains, wires, and ropes.
Specifications
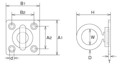
| Product Number | D | W | A1 | A2 | B1 | B2 | H | d | T | Weight (g) | Reference Load (kgh) | Reference Load (kN) |
|---|---|---|---|---|---|---|---|---|---|---|---|---|
| SI-5 | 5 | 15 | 35 | 23 | 35 | 23 | 33 | 4 | 2.5 | 38 | 15 | 0.15 |
| SI-6 | 6 | 18 | 40 | 26 | 40 | 26 | 38 | 5 | 2.5 | 60 | 20 | 0.20 |
| SI-8 | 8 | 19 | 50 | 34 | 50 | 34 | 44 | 5 | 3 | 109 | 30 | 0.29 |
Dimensions (mm)












