Mizumoto Machine Mfg. Co.
Mizumoto TFA/ TFB Series Grand Hook

Manufacturer: Mizumoto Machine Mfg. Co., Ltd.
Model: TFA/ TFB Series
Features
- When not in use, the ring will not fall over and get in the way, and when in use, you can pass ropes, wires, chains, etc. through the ring.
- As a terminal processing of tent ropes, small items such as hanging curtains, wires and ropes, etc.
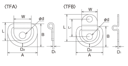
Specifications
| Model | D1 (cm) | L (cm) | L1 (cm) | W (cm) | d (cm) | D2 (cm) | A (cm) | B (cm) | Weight (kg) | Reference Usage Test (kgf) | Reference Usage Test (kN) |
|---|---|---|---|---|---|---|---|---|---|---|---|
| TFA-1.5 | 0.6 | 9.5 | – | 8 | 2.8 | 1.5 | 14 | 11.5 | 1 | 2 | 0.02 |
| TFA-2 | 1 | 11 | – | 10 | 3.8 | 2 | 17 | 14 | 2.5 | 5 | 0.05 |
| TFA-2.5 | 1.5 | 15 | – | 13 | 3.8 | 2.5 | 22 | 19 | 4.5 | 7 | 0.07 |
| TFA-3 | 1.8 | 18 | – | 15 | 4.8 | 3 | 27 | 23 | 7.5 | 10 | 0.10 |
| TFA-4 | 1.2 | 21 | – | 20 | 6.8 | 4 | 34 | 26 | 15 | 15 | 0.15 |
| Model | D1 (cm) | L (cm) | L1 (cm) | W (cm) | d (cm) | D2 (cm) | A (cm) | B (cm) | Weight (kg) | Reference Usage Test (kgf) | Reference Usage Test (kN) |
|---|---|---|---|---|---|---|---|---|---|---|---|
| TFB-2 | 1 | 17 | 9.5 | 10 | 3.8 | 2 | 17 | 14 | 2.5 | 5 | 0.05 |
| TFB-2.5 | 1 | 25 | 17 | 13 | 3.8 | 2.5 | 22 | 19 | 4.5 | 7 | 0.07 |
| TFB-3 | 1 | 30 | 20 | 15 | 4.8 | 3 | 27 | 23 | 7.5 | 10 | 0.10 |
| TFB-4 | 1.2 | 34 | 21 | 20 | 6.8 | 4 | 34 | 26 | 15 | 15 | 0.15 |
Dimensions (mm)












