Mizumoto Machine Mfg. Co.
Mizumoto UR Series Recessed Ring Hook

Manufacturer: Mizumoto Machine Mfg. Co., Ltd.
Model: UR Series
Features
- Since it is an embedded type, there is no disturbing effect on the installation surface.
- The ring part is only raised when you want to use it, and when not in use, it fits into the embedded part so it doesn’t get in the way.
- It is installed on walls, floors, pillars, etc., and is used as a terminal hardware for chains, wires, and ropes.
Specifications
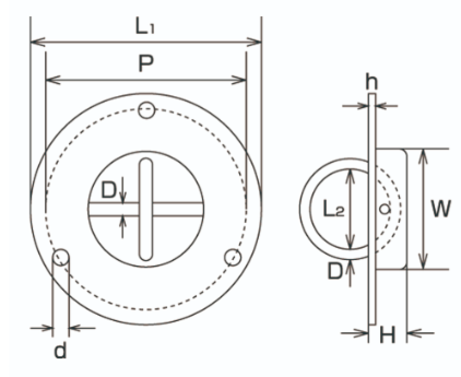
| Item No. | D | L1 | L2 | H | h | d | W | P | Weight (g) | Reference Load (kgf) | Reference Load (kN) |
|---|---|---|---|---|---|---|---|---|---|---|---|
| UR-3 | 3 | 70 | 25 | 10.5 | 0.8 | 4.2 | 37 | 60 | 31 | 7 | 0.07 |
| UR-5 | 5 | 90 | 35 | 17 | 0.8 | 5.2 | 52 | 78 | 72 | 25 | 0.25 |
*When not in use, the ring can be placed in the recess.
Dimensions (mm)












