Osaka Vacuum
Osaka TG5000/TG5003 Turbo Molecular Pumps

Manufacturer: Osaka Vacuum, Ltd.
Model: TG5000/TG5003
Features
- Standard types and corrosive resistant types are available.
- The world’s largest volume flow rate compound molecular pump.
- Durable structure for air inrush.
- Sturdy resists external impacts.
Specifications
| Inlet flange | VG450 | |
| Volume flow rate | N2 (L/s) | 5000 |
| N2 (with protective screen) (L/s) | 4700 | |
| H2 (L/s) | 4000 | |
| Max. compression ratio | N2 | 1×108 |
| H2 | 5×103 | |
| Base pressure | VG (Pa) | <1×10-6 |
| VG (Torr) | <7.5×10-9 | |
| Max. throughput ※1 | N2 (sccm) | 1200 |
| Startup time | (min) | 25-35 |
| Shutdown time | (min) | 30-40 |
| Max. backing pressure | (Pa / Torr) | 200/1.5 |
| Recommended backing vacuum pump | (L/min) | 1500 |
| Amount of lubrication oil required | (mL) | 1000 |
| Position | Vertical(±10℃) | |
| Weight | (kg) | 250 |
| Comtroller | TC5503 | |
- *1: When using a backing vacuum pump of 3000L/min.
- [Ambient temperature for use]
- The ambient temperature range to ensure you reach the ultimate pressure is 10-23℃. The permissible ambient temperature is 10-32℃ for air cooling type and 10-40℃ for water cooling type. The maximum temperature for the cooling water which ensures the ultimate pressure is 30℃ and the allowable temperature range for cooling water is 10-35℃.
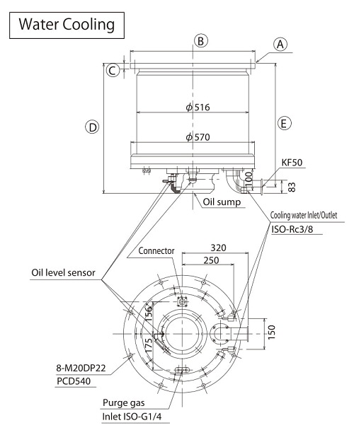
Dimensions

| Ⓐ | Ⓑ | Ⓒ | Ⓓ | Ⓔ |
| VG450 | φ575 | 25 | 600 | 570 |
- Bolt holes for the flange on the intake are arranged symmetrically around the centerline.
Reprinting prohibited without permission. Contents are subject to change without notice.











