Simotec
Simotec Tilt Hinge (Disc Type B)

Manufacturer: Shimonishi Giken Kogyo Co., Ltd
Product name: Tilt Hinge
Features
- Free stop (stop at any angle) is possible over the entire range by balancing with the lid moment.
- Smooth operation thanks to balanced center of gravity of opening and closing objects
- ・Smooth rotation with constant torque throughout the operating range
- Wave washers are used, which reduces the number of washers required and saves space.
- ・You can choose from three types depending on the required torque.
Purpose of use
Equipment that requires smooth opening and closing of attached parts (to equalize the load on the sliding surface)
・Medical equipment arms
・FA equipment
Specification
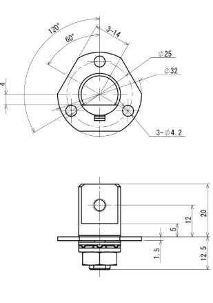
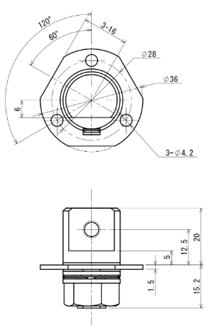
| Specification | TH0046 | TH0052 | TH0053 |
|---|---|---|---|
| Part Number | TH0046 | TH0052 | TH0053 |
| Size | ![]() | ![]() | ![]() |
| Shaft Outer Diameter | φ16 | φ10 | φ20 |
| Initial Torque | 120 to 800 N·cm ±20% | 50 to 120 N·cm ±20% | 800 to 1200 N·cm ±20% |
| Durability | 5,000 times (Initial value ±20%) | 5,000 times (Initial value ±20%) | 5,000 times (Initial value ±20%) |
| Usage Environment/Storage Environment | 0 to 40°C, 10 to 90% humidity. Low temp: -20°C, High temp and humidity: 60°C, 95% RH | 0 to 40°C, 10 to 90% humidity. temp: -20°C, High temp and humidity: 60°C, 95% RH | 0 to 40°C, 10 to 90% humidity. Low temp: -20°C, High temp and humidity: 60°C, 95% RH |














