TAKENAKA OPTONIC
Takenaka Optonic FCM5MHGE / FCM3MHGE GigE Vision Compliant Progressive Scan Camera


Manufacturer: TAKENAKA OPTONIC CO., LTD.
Model: FCM5MHGE / FCM3MHGE
Feature
- Capable of image transmission over 100m without repeater.
- Since these products are equipped with a 5 Megapixel-2/3″ (FCM5MHGE) or a 3 Megapixel-1/1.8″ (FCM3MHGE) CMOS sensor, they are suitable for replacing existing 5 Megapixel or 2 Megapixel CCD cameras.
- The global shutter sensor provides the images without distortion even in shooting of fast-moving objects.
- It is possible to be supplied power by the camera connector on the back, or PoE method by LAN cable.
- Achieves faster speed operation limiting the number of read-out line.
Specifications
| Model | FCM5MHGE | FCM3MHGE |
|---|---|---|
| Image sensor | Progressive scanning,Global shutter, Monochrome CMOS Unit cell size : 3.45µm(H)×3.45µm(V) | |
| 2/3 inch size | 1/1.8 inch size | |
| Number of pixels | 5.06 million pixels 2,464(H)×2,056(V) | 3.18 million pixels 2,064(H)×1,544(V) |
| Video output | Switchable 8/10/12bit. Gig E format compliant | |
| Electronic shutter | 1/26,000 sec. ~ | 1/28,000 sec. ~ |
| Asynchronous shutter | Pre-settable fixed exposure | |
| Scanning mode | Full screen / Partial (Specified lines readout) / Binning | |
| Lens mount | C mount (Fixed flange back) | |
| Power supply | Camera connector(6Pin)/PoE:DC12V±10% 250mA or less Via PoE : DC42V ~ 57V (48V STD) 140mA or less IEEE802.3af standard-compliant | |
| Storage tempurature range | 0℃~40℃ (with no condensation) | |
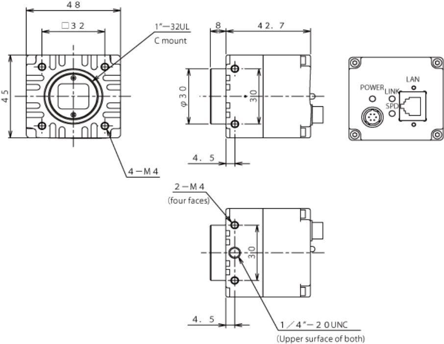
| External dimension | 48(W)×45(H)×51(D) Excluding protrusions | |
| Weight | 150g | |
Dimensional Outline Drawing

Related Products
-

Takenaka Optonic FCM12MPL Camera Link Compliant Progressive Scan Camera
-

Takenaka Optonic LDB-FL Series Flat Line Lasers For Image Sensing
-

Takenaka Optonic TLC-16K5FOL 16,384 Pixel CMOS Sensor Opt-C:Link Compliant Digital Line Scan Camera
-

Takenaka Optonic AD-50 Power Supply Unit For Line Scan Camera
-

Takenaka Optonic TL-8K35NCL(-M42D) 80kHz Scan Rate / Camera Link Compliant Digital Line Scan Camera
-

Takenaka Optonic TL-8K7ACL 80kHz Scan Rate / Camera Link Compliant Digital Line Scan Camera





