Yamato Electric
Yamato Electric FCD Series Adjustable Saddle

Manufacturer: Yamato Electric Co., Ltd.
Model: FCD Series
Adjustable Saddle FCD
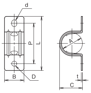
- This is a flexible steel plate double saddle that, thanks to its adjuster, can widely secure items with varying outer diameters, such as pipes, tubes, hoses, and round bars, not limited only to various flexible conduits.
- The minimum sales unit is per bag (or package unit).

Unit: mm
| Nominal Size | Code | ||||||||||
|---|---|---|---|---|---|---|---|---|---|---|---|
| A | B | C | D | d | P | L | t | Mass/Bag (g) | Qty/Bag | ||
| FCD- 6 | 11 | 14 | 12.3 | 5.2 | 5.2×7 | 29 | 43 | 1 | 488 | 100 | |
| 10.9 | 15.5 | 16 | 17 | 34.5 | 48.5 | 818 | |||||
| 12.13 | 18 | 18 | 20 | 38 | 52 | 1056 | |||||
| 16.15 | 21.5 | 20 | 23.5 | 41.5 | 55.5 | 630 | |||||
| 22.19 | 26.7 | 22 | 28.5 | 45 | 59 | 1.2 | 828 | 50 | |||
| 28.25 | 33.4 | 30 | 35 | 54.5 | 68.5 | 1365 | |||||
| 36.31 | 42.2 | 30 | 44 | 6.2 | 6.2×8 | 62 | 76 | 1.2 | 760 | 20 | |
| 42.39 | 48.3 | 35 | 50.5 | 70 | 86 | 1034 | |||||
| 54.51 | 60 | 40 | 62.6 | 88 | 104 | 1.4 | 810 | 10 | |||
| Material | Polished Steel Plate | ||||||||||
| Remarks | |||||||||||
Please inquire about nominal sizes not listed in the table.
Related Products
-

Yamato Electric KCD-05-D48 Side Mounting Type/ Outdoor Use
-

Yamato Electric NSP-11L1 Locking Metal Fitting for NSP-11
-

Yamato Electric Braided vinyl coated (double coated) flexible FAE dedicated connector MSE,MAE
-

Yamato Electric SPT-BK3 Mounting Bracket for SPT
-

Yamato Electric YSO Series Straight Connector for Waterproof Cannon Plug Connection
-

Yamato Electric TB4-SFM





