Yamato Electric
Yamato Electric GAN3-NLA-2DFM-2L3

Manufacturer: Yamato Electric Co., Ltd.
Model: GAN3-NLA-2DFM-2L3
SPT-22 Series (2 Circuits)
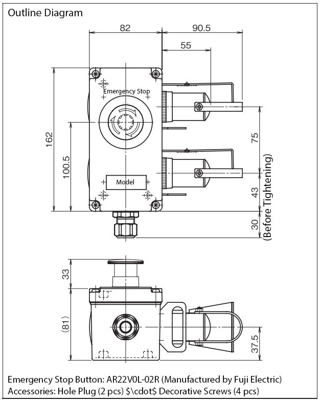
Emergency Stop Button with Side Type: The product is the L-type specification at the time of shipment. (The photo is the L-type) Changes to the R-type must be carried out by the customer.
GAN3-NLA-2DFM-2L3
- Non-Illuminated Pushbutton
- With Locking Metal Fitting

Composition
| Box | GAN-3 |
| Socket | SPT-22F (2 pcs) |
| Plug | SPT-22M (2 pcs) |
| Locking Metal Fitting | SPT-L3 (2 pcs) |
| Connector | AYS-9 to 11 |
Related Products
-

Yamato Electric FCV Series Sealed-Type Vinyl Coated Flexible Conduit
-

Yamato FSW Series Electric Braided Sheath Semi-Interlocking Flexible Conduit
-

Yamato Electric FCD Series Adjustable Saddle
-

Yamato Electric AYL Series 90° Angle Connector for Multi-Core Cables
-

Yamato Electric PTV Series Vinyl Sheath Hiflex (JIS C 8309 Class 2 Metal Flexible Conduit)
-

Yamato Electric SAF Series Stand Flexible Conduit





