Yamato Electric
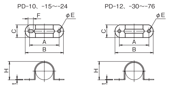
Yamato Electric PD Series Saddle for Hiflex PT

Manufacturer: Yamato Electric Co., Ltd.
Model: PD Series
Saddle for Hiflex PT PD
- This is a double saddle for securing the Hiflex PT (Flexible Conduit).
- For securing the Vinyl Covered Hiflex PTV, please use the Adjustable Saddle FCD (P80).

Unit: mm
| Nominal Size | Code | |||||||||||||
|---|---|---|---|---|---|---|---|---|---|---|---|---|---|---|
| A | B | C | H | E | F | t | Mass (g) | Qty/Bag | ||||||
| PD-10 | 30 | 42 | 15 | 14.8 | 5.2 | 7 | 1 | 6 | 50 | |||||
| 12 | 33 | 45 | 16 | 18 | 5 | — | 1 | 7 | 50 | |||||
| 15 | 36 | 48 | 16 | 20 | 5 | 7 | 1 | 8 | 50 | |||||
| 17 | 39 | 51 | 18 | 23 | 5 | 7 | 1 | 10 | 50 | |||||
| 24 | 47 | 59 | 20 | 30 | 5 | 7 | 1 | 14 | 50 | |||||
| 30 | 58 | 75 | 25 | 36.7 | 6 | — | 1.2 | 27 | 50 | |||||
| 38 | 70 | 94 | 25 | 44.6 | 6 | — | 1.2 | 34 | 50 | |||||
| 50 | 85 | 100 | 25 | 57 | 6 | — | 1.2 | 39 | 20 | |||||
| 63 | 123 | 145 | 25 | 70.7 | 6 | — | 1.6 | 72 | 5 | |||||
| 76 | 125 | 155 | 30 | 84.3 | 6.5 | — | 1.6 | 95 | 5 | |||||
| Material | Polished Steel Plate | |||||||||||||
| Remarks | ||||||||||||||
Related Products
-

Yamato Electric FCK Series Vinyl-Braided Sheath (Double-Coated) Flexible Conduit
-

Yamato Electric KCH-10A Side Mounting Type/ Non-Freon Model
-

Yamato Electric PT Series Hiflex (JIS C 8309 Class 2 Metal Flexible Conduit)
-

Yamato Electric GAN3-LA-2SFM
-

Yamato Electric KCD-05-D48 Side Mounting Type/ Outdoor Use
-

Yamato Electric KCR-04A Side Mounting Type/ Non-Freon Model





