Mizumoto Machine Mfg. Co.
Mizumoto RB Series Screwed Round Eye

Manufacturer: Mizumoto Machine Mfg. Co., Ltd.
Model: RB Series
Features
- It has an anchor plug.
- The seat part is circular.
- It is installed on walls, floors, columns, etc., and is used as terminal fittings such as chains.
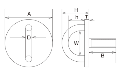
Specifications
| Model | D | A | H | h | W | B | T | Drill Diameter | Weight (kg) | Reference Load (kef) | Reference Load (kN) |
|---|---|---|---|---|---|---|---|---|---|---|---|
| RB-5 | 5 | 33 | 19 | 11.5 | 15 | 21 | 2.5 | M-6 | 11 | 35 | 0.15 |
| RB-6 | 6 | 40 | 25.5 | 17 | 18 | 25 | 2.5 | M-8 | 14 | 60 | 0.20 |
| RB-8 | 8 | 50 | 32 | 21 | 22 | 27 | 3 | M-10 | 18 | 114 | 0.29 |
Dimensions (mm)












